Abstract
The article deals with a problem related to the oil extracting industry, in particular to the regulation of the oil-water interface level (water cushion) in settlers of thermochemical oil treatment units (TCOTU) in the process of dynamic settling of oil emulsion. The method involves measuring the differential hydrostatic pressure between two specified points along the height of the settler and determining the oilwater interface level by the measured values.
Keywords: Differential Hydrostatic Pressure; Interface Level; Oil Emulsion; Sensors; Regulator; Actuating Mechanism
Abbreviations: TCOTU: Thermochemical Oil Treatment Units; IEL: Intermediate Emulsion Layer; OE: Oil Emulsion; DHP: Differential Hydrostatic Pressure; CDU: Control and Display Unit; WC: Water Cushion
Introduction
There is a known method for regulating the oil-water interface level using a capacitive sensor with an impact on the flow rate of discharged (drainage) water [1,2] The drawback of this method is that over time, asphalt-resinous substances and high-melting point oil paraffins accumulate on the surface of the sensing element, leading to a change in the gravity of the sensing element and, consequently, to a significant decrease in the accuracy of regulation. We know of a method and a system for automatic control of the oil-water interface level in the process of dynamic settling of oil emulsion [3], where the differential hydrostatic pressure between two specified points located in the upper and lower parts of the settler is measured. However, it has a significant accuracy error due to the expansion of the differential pressure gauge scale.
Problem Statement
Development of a more accurate and reliable method for measuring and regulating the oil and water interface level in settlers of a thermochemical treatment unit, in which dynamic settling of emulsified water droplets in an oil environment is carried out [4].
Solution
This goal is achieved by first taking samples of the upper pressure gauge and determining in laboratory conditions the density of water and oil, as well as the content of water and asphaltresinous substances in the intermediate emulsion layer (IEL) formed on the surface of the water cushion between the water and oil layers. Then, taking into account the measured values, the water cushion level is determined from the following formula:

where are the water cushion level in the settler, the height
of lower pressure gauge and the distance between the gauges,
respectively, cm; is the water level (water-IEL interface level)
between the gauges, cm; are the density of water, oil and oil emulsion (OE), respectively, kg/cm3; is the differential hydrostatic
pressure between the lower and the upper gauges, kg/cm2; are
fractional content of water and asphaltenes, respectively.
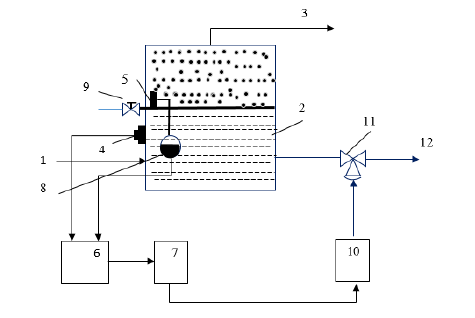
Figure 1 shows a schematic diagram that interprets the
operation of the method for automatic control of the process of
dynamic settling of OE, which consists in regulating the water
cushion level in the TCOTU settler. The method is implemented
as follows. Via pipeline 1, OE with increased water concentration
enters settler 2. The settled oil with a small (residual) water
concentration is removed from the settler via pipeline 3. Pressure
gauges 4 and 5 installed at points corresponding to the permissible
maximum and minimum water cushion (WC) level, according to the
TCOTU master production record, with differential pressure gauge
6 measure the differential hydrostatic pressure (DHP) between
points 4 and 5. The output of DHP 6 is connected to the input of
control and display unit (CDU) 7. In order to improve the accuracy
of DHP measurement, gauge 5 is connected through the separation
vessel 8 with the negative chamber of the differential pressure
gauge in CDU 7, the values of , determined in laboratory conditions,
are introduced. Sampling is carried out at point 9. In the CDU, the
WC level is calculated from formulas (1)-(3).
The obtained value from the CIB output goes to WC level
regulator 10 connected to actuating mechanism (AM) 11 installed
in the drainage water discharge line. In regulator 9, the signal
received from unit 7 is compared with the regulator’s setpoint and,
if the bias is upward, the flow rate of drainage water increases and
vice versa.
Thus, the oil and water interface level (WC) is automatically
determined by the differential hydrostatic pressure measured
between points 4 and 5, taking into account the quality indicators
of OE - .
References
- Baykov G (1969) Automation of field treatment of oil and transport M. Goskomizdat, p. 260 .
- Dianov VG (1969) Automation of production processes in the oil refining and petrochemical industries, p.
- Rzayev AbG, Guluyev GA, Babayev SF, Nuriyeva IA (2017) Eurasian patent, No. 027897, Method and system for automatic control of the oil and water interface level.
- Rzayev AbG, Asadova RSh (2021) Mathematical modeling, automatic measurement and control in the processes of oil extraction, transportation and treatment. Monograph, Baku, Elm, p. 328.
Mini Review